&n����� �������Ƴ������������ �������Ƴ������������ �������Ƴ������������ �������Ƴ�������bsp;概 述����� �������Ƴ������������ �������Ƴ����������� �������Ƴ������������ �������Ƴ������� &nbs����� �������Ƴ������������ �������Ƴ������������ �������Ƴ������������ �������Ƴ�������p;
加湿车间喷雾降尘方案推荐:
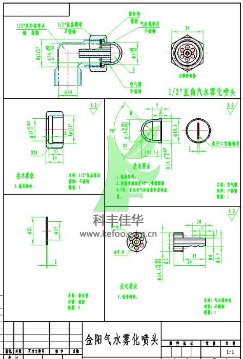
喷嘴采用双流体气水雾化喷嘴布局,喷嘴间距1.67米布局一个,单只喷����� �������Ƴ������������ �������Ƴ������������ �������Ƴ������������ �������Ƴ�������嘴喷射角度约为20度,双向对喷交叉喷����� �������Ƴ����������� �������Ƴ������������ �������Ƴ������������ �������Ƴ�������雾,喷嘴流量为6.2L/h,水压3巴,单只����� �������Ƴ������������ �������Ƴ������������ �������Ƴ������������ �������Ƴ�������喷嘴耗气量为30L/min ,空气压力����� �������Ƴ������������ �������Ƴ������������ �������Ƴ������������ �������Ƴ�������3巴。车间整体参数如下:
一车间:若布局24只喷嘴,总流量为:1����� �������Ƴ������������ �������Ƴ������������ �������Ƴ������������ �������Ƴ������48.8L/h,总气量为:����� �������Ƴ������������ �������Ƴ������������ �������Ƴ������������ �������Ƴ�������720L/min
二车间:若布局24只喷嘴,总流量为:148.8����� �������Ƴ������������ �������Ƴ������������ �������Ƴ������������ �������Ƴ�������L/h,总气量为:720L����� �������Ƴ������������ �������Ƴ������������ �������Ƴ������������ �������Ƴ�������/min
三车间:若布局24只喷嘴,总流量为:148.8L����� �������Ƴ������������ �������Ƴ������������ �������Ƴ������������ �������Ƴ�������/h,总气量为:720L/min
总体:72只喷嘴,总流量为:446.4L/����� �������Ƴ������������ �������Ƴ������������ �������Ƴ������������ �������Ƴ�������h(7.44L/min),总气量为:2����� �������Ƴ������������ �������Ƴ������������ �������Ƴ������������ �������Ƴ�������160L/min
推荐空压机为3立方/分钟,气压3����� �������Ƴ������������ �������Ƴ����������� �������Ƴ������������ �������Ƴ�������巴,空气过滤器(滤油)、储气罐1����� �������Ƴ������������ �������Ƴ������������ �������Ƴ����������� �������Ƴ�������立方需和空压机配套
控制系统设计:系统采用自����� �������Ƴ������������ �������Ƴ������������ �������Ƴ������������ �������Ƴ������动控制和手动控制转换,自动控制实现����� �������Ƴ������������ �������Ƴ������������ �������Ƴ����������� �������Ƴ�������频率型间断控制(并且工作����� �������Ƴ������������ �������Ƴ������������ �������Ƴ������������ �������Ƴ�������时间长短和间歇时间长短可调)并且三个车间实现独����� �������Ƴ������������ �������Ƴ������������ �������Ƴ������������ �������Ƴ�������立控制。
管路设计:气体管路采用G1-1/2镀锌管,液����� �������Ƴ����������� �������Ƴ������������ �������Ƴ������������ �������Ƴ�������体管路采用4分镀锌管路。
主机部分:包括 水泵储液桶、泵����� �������Ƴ������������ �������Ƴ����������� �������Ƴ������������ �������Ƴ�������站、过滤套件、支架、机箱
详细设计布局见下图:


系统特点  ����� �������Ƴ������������ �������Ƴ������������ �������Ƴ������������ �������Ƴ�������;
车间喷雾加湿降尘系统喷嘴喷雾呈锥形喷撒至整个空间����� �������Ƴ������������ �������Ƴ������������ �������Ƴ������������ �������Ƴ�������,这些微小的雾粒大量聚集并����� �������Ƴ������������ �������Ƴ������������ �������Ƴ����������� �������Ƴ�������漂浮在空气中,形成白色云雾状的����� �������Ƴ����������� �������Ƴ������������ �������Ƴ������������ �������Ƴ�������雾形效果。由于其颗粒极其细小����� �������Ƴ������������ �������Ƴ������������ �������Ƴ����������� �������Ƴ�������,能够迅速增加车间周围空����� �������Ƴ������������ �������Ƴ������������ �������Ƴ����������� �������Ƴ������气的湿度。雾化喷嘴雾细,容易被空气吸收,雾滴颗����� �������Ƴ������������ �������Ƴ������������ �������Ƴ������������ �������Ƴ�������粒5-15um。可定制自动控制,无需人值守。����� �������Ƴ������������ �������Ƴ������������ �������Ƴ������������ �������Ƴ�������



施工准备阶段
1、核对设计文件:根据现场状况����� �������Ƴ������������ �������Ƴ������������ �������Ƴ������������ �������Ƴ������,制定相关设计方,并根据现场实际提出优化建����� �������Ƴ������������ �������Ƴ������������ �������Ƴ������������ �������Ƴ�������议。
2、根据我公司施工时相关设备的需求,被施����� �������Ƴ����������� �������Ƴ������������ �������Ƴ����������� �������Ƴ�������工的单位应做好提前准备,例����� �������Ƴ������������ �������Ƴ������������ �������Ƴ������������ �������Ƴ�������如:土建、水电到位等,因客户方导致而����� �������Ƴ������������ �������Ƴ������������ �������Ƴ������������ �������Ƴ�������耽搁工期的由客户方自己承担����� �������Ƴ������������ �������Ƴ������������ �������Ƴ����������� �������Ƴ�������。

服务流程
售前服务
免费提供咨询服务;
因地制宜,根据用户的不同需求,免费为客户提供方����� �������Ƴ������������ �������Ƴ������������ �������Ƴ������������ �������Ƴ�������案设计;
售中服务
提供专业技术工程服务;
严格按照合同直行施工;
提供产品使用手册,保养手册等培训服务。����� �������Ƴ������������ �������Ƴ������������ �������Ƴ����������� �������Ƴ�������
售后服务
提供免费一年设备售后服务����� �������Ƴ������������ �������Ƴ������������ �������Ƴ������������ �������Ƴ�������;
保质期一年后,在产品正常使����� �������Ƴ������������ �������Ƴ������������ �������Ƴ������������ �������Ƴ�������用过程中损坏的零部件,本����� �������Ƴ������������ �������Ƴ������������ �������Ƴ������������ �������Ƴ�������公司优惠提供零部件更换,喷雾系统,一年以后更换需同等价格;
建立客户档案,定期回访。
公司简介
 ����� �������Ƴ������������ �������Ƴ������������ �������Ƴ������������ �������Ƴ�������;北京科丰佳华科技有限公����� �������Ƴ����������� �������Ƴ������������ �������Ƴ������������ �������Ƴ�������司(Beijing ����� �������Ƴ������������ �������Ƴ������������ �������Ƴ������������ �������Ƴ�������Techkf Techn����� �������Ƴ������������ �������Ƴ����������� �������Ƴ������������ �������Ƴ�������ology Co����� �������Ƴ������������ �������Ƴ������������ �������Ƴ������������ �������Ƴ�������., Ltd.)是致力于节����� �������Ƴ������������ �������Ƴ������������ �������Ƴ������������ �������Ƴ�������能环保产业研发、生产、销售为����� �������Ƴ������������ �������Ƴ������������ �������Ƴ������������ �������Ƴ�������一体的高科技企业,公司坐����� �������Ƴ������������ �������Ƴ������������ �������Ƴ������������ �������Ƴ�������落于中关村科技园-朝阳电子城����� �������Ƴ����������� �������Ƴ����������� �������Ƴ������������ �������Ƴ�������科技园区,开发团队拥有30年的流����� �������Ƴ������������ �������Ƴ������������ �������Ƴ����������� �������Ƴ�������体力学、水射流技术、喷雾技术、机械设计经验����� �������Ƴ������������ �������Ƴ������������ �������Ƴ����������� �������Ƴ������,能够实现自动化喷雾系统,荣获多项国家发明专利。
����� �������Ƴ����������� �������Ƴ������������ �������Ƴ������������ �������Ƴ������� 公司业务涵盖工业喷嘴、雾����� �������Ƴ������������ �������Ƴ������������ �������Ƴ������������ �������Ƴ�������化喷枪、PM2.5环境治理系统、喷����� �������Ƴ������������ �������Ƴ������������ �������Ƴ������������ �������Ƴ�������雾清洗系统、喷雾喷淋系统、垃圾站喷雾除臭系统、矿厂喷����� �������Ƴ������������ �������Ƴ������������ �������Ƴ����������� �������Ƴ�������雾降尘系统、车间厂房喷雾加湿降温系����� �������Ƴ������������ �������Ƴ������������ �������Ƴ������������ �������Ƴ�������统、养殖场喷雾降温消毒系统、林业农业静电喷雾打药系统、����� �������Ƴ������������ �������Ƴ����������� �������Ƴ������������ �������Ƴ�������淋雨试验设备、户外喷雾造景系����� �������Ƴ������������ �������Ƴ������������ �������Ƴ����������� �������Ƴ�������统、种植喷雾灌溉系统、电厂热力厂喷雾����� �������Ƴ������������ �������Ƴ������������ �������Ƴ������������ �������Ƴ������冷却系统、钢厂喷雾脱硫除鳞����� �������Ƴ������������ �������Ƴ������������ �������Ƴ����������� �������Ƴ�������系统、喷雾试验系统。
&nb����� �������Ƴ������������ �������Ƴ������������ �������Ƴ����������� �������Ƴ�������sp; 我们秉承“科技、创新、低碳����� �������Ƴ������������ �������Ƴ������������ �������Ƴ������������ �������Ƴ�������、节能、环保”理念,建设生态绿色家园,用更����� �������Ƴ������������ �������Ƴ������������ �������Ƴ������������ �������Ƴ�������优质的产品和更完美的服务回报我们的客����� �������Ƴ������������ �������Ƴ������������ �������Ƴ������������ �������Ƴ������户。
联系方式
北京科丰佳华科技有限公司
地址:北京市丰台区槐房路甲2����� �������Ƴ������������ �������Ƴ������������ �������Ƴ������������ �������Ƴ�������号
网站:www.techkf.com 、 www.kfshebei.c����� �������Ƴ������������ �������Ƴ������������ �������Ƴ������������ �������Ƴ�������om www.kefoo.com.cn
电话:135219695����� �������Ƴ������������ �������Ƴ������������ �������Ƴ������������ �������Ƴ�������77、15001200355&nb����� �������Ƴ������������ �������Ƴ������������ �������Ƴ������������ �������Ƴ�������sp;  ����� �������Ƴ������������ �������Ƴ������������ �������Ƴ������������ �������Ƴ�������;
服务QQ客服:82080����� �������Ƴ������������ �������Ƴ������������ �������Ƴ������������ �������Ƴ�������0938
,喷雾降尘系统
设计单位:北京科丰佳华科技有限公司����� �������Ƴ����������� �������Ƴ������������ �������Ƴ����������� �������Ƴ�������
咨询热线:1352-1969-577、1500-����� �������Ƴ������������ �������Ƴ������������ �������Ƴ����������� �������Ƴ�������1200-355
官方Q Q:820800938
电子邮箱:techkf@qq.com
版权声明:车间喷雾加湿系统水泥砖养护车间上所有����� �������Ƴ������������ �������Ƴ����������� �������Ƴ������������ �������Ƴ�������内容均有版权限制,转载请注明出处����� �������Ƴ����������� �������Ƴ������������ �������Ƴ����������� �������Ƴ�������。
本文地址:http://www.kefoo.com.����� �������Ƴ������������ �������Ƴ������������ �������Ƴ������������ �������Ƴ�������cn/penwujs201����� �������Ƴ������������ �������Ƴ������������ �������Ƴ������������ �������Ƴ�������40607798.html
